欧美福利视频 漿液閥-南京騰州閥門有限公司
·
·
 
 
 
 
·
     防(fang)爆氣動(dong)快速切(qie)斷閥
     盲(mang)闆閥(眼(yan)睛閥)
     蝶(die)閥系列(lie)
     截止閥(fa)系列
     球(qiu)閥系列(lie)
     閘閥系(xi)列
     止回(hui)閥系列(lie)
     過濾器(qi)系列
     調(diao)節閥系(xi)列
     安全(quan)閥系列(lie)
     水力控(kong)制閥系(xi)列
     減壓(ya)閥系列(lie)
     電動二(er)通閥系(xi)列
     柱塞(sai)閥系列(lie)
     電子除(chu)垢儀
     執(zhi)行機構(gou)
     其它閥(fa)系列
🏃🏻‍♀️欧美福利视频👾南(nan)京騰州(zhou)閥門有(you)限公司(si)
陳建州(zhou) 經理 工(gong)程師
地(di)址:南京(jing)市秦淮(huai)區升州(zhou)路385号 
郵(you)編:210036 
 郵箱(xiang):
電話:025—
手(shou)機: 
 
産品(pin)展示
當(dang)前位置(zhi):首頁 ->閘(zha)閥系列(lie)
漿液閥(fa)
發表時(shi)間:2011-5-26  文字(zi) 〖 小(xiao) 〗  閱讀次(ci)數:4142   [關閉(bi)窗口]

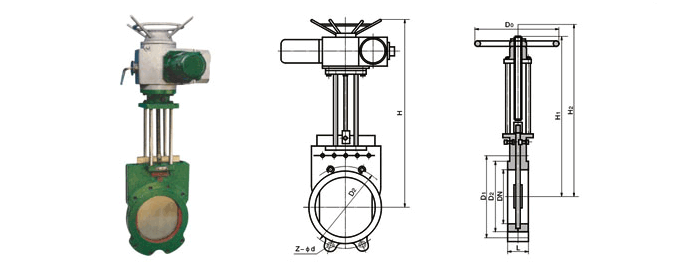
公(gong)稱通經(jing)DN

主要外(wai)形尺寸(cun)和連接(jie)尺寸(mm) WT(kg)
L D1 D2 Z-ØD H H1 DO
Z73X-2.5 Z73X-6 Z573X-2.5 Z573X-6 Z573X-10
Z673X-2.5 Z673X-6 Z673X-10 Z973X-2.5 Z973X-6 Z973X-10
50 40 125 100 4-M16 337 268 180 80
65 40 145 120 4-M16 357 291 180 90
80 50 160 135 8-M16 400 316 180 112
100 50 180 155 8-M16 466 364 200 140
150 60 270 210 8-M20 633 478 240 195
200 60 295 265 8-M20 744 543 280 260
250 70 350 318 12-M20 940 687 360 370
300 70 400 368 12-M20 1087 783 400 455
350 80 460 430 16-M20 1238 885 400 640
400 80 515 482 16-M24 1394 994 400 960
450 90 565 532 20-M24 1550 1100 400 1280
500 90 620 585 20-M24 1700 1200 400 1710
600 100 725 685 20-M27 2080 1480 400 1895
700 100 840 800 20-M27 1720 2470 800 2100
800 120 950 905 20-M30 2000 2900 800 2410
900 120 1050 1005 20-M30 2130 3100 800 2660
Z73X-16C Z573X-16C Z673X-16C Z973X-16C
200 60 295 180 12-M20 754 552 240 265
250 68 355 230 12-M24 945 692 240 376
300 78 410 280 12-M24 1010 788 370 455
350 78 470 330 16-M24 1245 890 370 648
400 102 525 380 16-M24 1685 1000 400 970
450 114 585 430 20-M27 1835 1110 400 1300
500 127 650 480 20-M30 1926 1230 400 1760
600 154 770 700 20-M36 2360 1500 800 1980

文(wen)章分頁(ye): 1 
版(ban)權所有(you):南京騰(teng)州閥門(men)有限公(gong)司    産品(pin)技術支(zhi)持:精嘉(jia)👽閥👹門集(ji)團有限(xian)公司          網(wang)站技術(shu)支持:yukamito.cc 京(jing)ICP證000000号
·