亚州av Y型過濾器1-南京騰州閥門有限公司
· 
·
·
·
·
     防(fang)爆氣動(dong)快速切(qie)斷閥
     盲(mang)闆閥(眼(yan)睛閥)
     蝶(die)閥系列(lie)
     截止閥(fa)系列
     球(qiu)閥系列(lie)
     閘閥系(xi)列
     止回(hui)閥系列(lie)
     過濾器(qi)系列
     調(diao)節閥系(xi)列
     安全(quan)閥系列(lie)
     水力控(kong)制閥系(xi)列
     減壓(ya)閥系列(lie)
     電動二(er)通閥系(xi)列
     柱塞(sai)閥系列(lie)
     電子除(chu)垢儀
     執(zhi)行機構(gou)
     其它閥(fa)系列
南(nan)🧑🏽‍❤️‍💋‍🧑🏻亚州av👌京騰州(zhou)閥門有(you)限公司(si)
陳建州(zhou) 經理 工(gong)程師
地(di)址:南京(jing)市秦淮(huai)區升州(zhou)路385号 
郵(you)編:210036 
 郵箱(xiang):
電話:025—
手(shou)機: 
 
産品(pin)展示
當(dang)前位置(zhi):首頁 ->過(guo)濾器系(xi)列
Y型過(guo)濾器1
發(fa)表時間(jian):2011-5-26  文字 〖 大(da) 〗  閱(yue)讀次數(shu):6504   [關閉窗(chuang)口]
産品(pin)規範 設(she)計規範(fan)

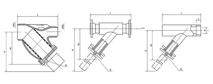
結構長(zhang)度

連接(jie)法蘭

試(shi)驗-檢驗(yan) 産品标(biao)識 供貨(huo)規範
HG/T21637 GB/T21637 JB/T79 JB/T9092 GB/T12220 JB/T7928

型(xing)号

連接(jie)方式 公(gong)稱壓力(li)PN
(MPa)
耐壓試(shi)驗壓力(li)
(MPa)
工作壓(ya)力
(MPa)
殼體(ti)材料 過(guo)濾網材(cai)料 網眼(yan)總面積(ji)
SY4P-10 法蘭Flange 1.0

1.1

1.0 灰(hui)鑄鐵 不(bu)鏽鋼 3-4DN
SY4P-16 法(fa)蘭Flange 1.6 1.76 1.6 球墨(mo)鑄鐵
SY4P-16 法(fa)蘭Flange 2.5 2.75 2.5 碳鋼(gang)

零件名(ming)稱

零部(bu)件材料(liao)
閥體、閥(fa)蓋 25 WCB CF8

CF8M

CF3 CF3M
網架(jia) 25 35 1Cr18Ni9TI 1Cr18Ni12Mo2Ti 00Cr18Ni10 00Cr17Ni42Mo2
濾網 1Cr18Ni9TI 1Cr18Ni9TI 00Cr18Ni10
墊(nian)片 18-8柔性(xing)石墨 18-8、Flexble Craphite
螺(luo)栓 35 1Cr17Ni2 1Cr18Ni9TI
适用(yong)溫度 -29-+425°C -40-+200°C -40-+200°C
适(shi)用介質(zhi) 水、油品(pin)、蒸汽 硝(xiao)酸類 醋(cu)酸類

公(gong)稱通徑(jing)DN

L G H H1 B 有效過(guo)濾面積(ji) WT(kg)
SY11C-H10 SY11C-H16 SY11C-H25
15 100 1/2m 74 99 ZG3/8m 0.00185 0.78
20 110 3/4m 88 127 ZG1/2m 0.00281 1.10
25 130 1m 103 150 ZG1/2m 0.00343 1.43
32 160 1 1/4m 110 163 ZG1/2m 0.00486 2.11
40 180 1 1/2m 132 203 ZG1/2m 0.00767 3.07
50 200 2m 163 243 ZG1/2m 0.01160 3.91

NPS

DN NPT L H H1 B 有效過(guo)濾面積(ji) WT(kg)
in mm
SY11C-H10 SY11C-H16 SY11C-H25
3/4 15 1/2m 100 74 99 ZG3/8m 0.00185 0.78
1/2 20 3/4m 110 88 127 ZG1/2m 0.00281 1.10
1 25 1m 130 103 150 ZG1/2m 0.00343 1.43
1 1/4 32 1 1/4m 160 110 163 ZG1/2m 0.00486 2.11
1 1/2 40 1 1/2m 180 132 203 ZG1/2m 0.00767 3.07
2 50 2m 200 163 243 ZG1/2m 0.01160 3.91

公稱通(tong)徑DN

L H H1 B 有效(xiao)過濾面(mian)積 WT(kg)
SY14C SY14S
PN1.0 PN2.5 PN4.0 PN1.0 PN2.5 PN4.0
SY11C-H10 SY11C-H16 SY11C-H25 SY14C-H40 SY14S-H10 SY14S-H16 SY14S-H25 SY14S-H40
15 100 87 120 ZG3/8m 0.00185 2.62 2.74 2.81 2.80 2.85 2.85
20 130 105 148 ZG1/2m 0.00281 3.00 3.06 3.06 3.05 3.11 3.11
25 150 114 176 ZG1/2m 0.00343 3.70 3.78 3.98 3.80 3.84 3.84
32 160 124 193 ZG1/2m 0.00486 5.35 5.46 5.46 5.43 5.54 5.54
40 200 156 237 ZG1/2m 0.00767 6.54 6.60 7.01 6.62 6.72 6.72
50 220 181 270 ZG1/2m 0.01160 9.21 9.46 9.97 10.9 11.1 11.1
65 290 250 369 ZG3/4m 0.02111 20.2 21.6 22.7 22.4 23.9 24.1
80 310 280 429 ZG3/4m 0.03029 23.4 25.1 27.4 26.6 27.7 28.5
100 350 320 488 ZG3/4m 0.04033 31.2 34.2 38.3 34.6 37.1 38.5
125 400 374 547 ZG3/4m 0.05589 44.1 49.1 56.9 50.5 54.6 57.8
150 480 430 622 ZG3/4m 0.07709 54.5 61.3 72.0 63.9 70.7 74.2
200 550 515 741 ZG3/4m 0.11967 81.0 93.3 127.7 85.3 97.0 120.5

NPS

DN L H H1 B 有效(xiao)過濾面(mian)積 WT(kg)
SY14C SY14S
in mm 150LB 300LB 150LB 300LB
SY11C-H10 SY11C-H16 SY11C-H25 SY14C-H40 SY14S-H10 SY14S-H16 SY14S-H25 SY14S-H40
1/2 15 100 87 120 ZG3/8m 0.00185 1.96 2.47 2.10 2.51
3/4 20 130 105 148 ZG1/2m 0.00281 2.25 3.35 2.29 3.40
1 25 150 114 176 ZG1/2m 0.00343 3.05 4.19 3.10 4.25
1 1/4 32 160 124 193 ZG1/2m 0.00486 4.14 5.85 4.24 5.64
1 1/2 40 200 156 237 ZG1/2m 0.00767 6..09 8.49 6.20 8.63
2 50 220 181 270 ZG1/2m 0.01160 8.57 11.0 9.68 11.2
2 1/2 65 290 259 369 ZG3/4m 0.02111 22.7 27.7 23.6 29.0
3 80 310 293 429 ZG3/4m 0.03029 25.2 37.6 27.8 38.2
4 100 350 324 488 ZG3/4m 0.04033 33.7 58.0 36.7 57.2
5 125 400 390 547 ZG3/4m 0.05589 48.1 76.4 52.1 76.6
6 150 480 448 622 ZG3/4m 0.07709 59.7 112.1 66.8 104.4
8 200 550 535 741 ZG3/4m 0.11967 87.3 183.2 91.2 175.6

公稱(cheng)通徑DN

L H H1 WT(kg)
SY14C-J10 SY14C-J16 SY14C-J25 SY14S-J10 SY14S-J16 SY14S-J25
15 130 87 120 2.7
20 150 105 150 3.1
25 160 115 176 3.8
32 180 125 193 5.5
40 200 156 237 6.6
50 230 131 270 9.4
65 290 250 370 21.6
80 310 280 430 25.1
100 350 320 488 34.2
125 400 375 547 49.1
150 480 430 622 61.3
200 600 515 741 93.3
250 730 550 880 126

公(gong)稱通徑(jing)DN

L H H1 WT(kg)
SY11C-J10 SY11C-J16 SY11S-J10 SY11S-J16
15 90 75 100 0.8
20 100 90 130 1.2
25 120 105 150 1.4
32 140 110 165 2.1
40 170 135 205 3.1
50 200 165 245 4.0

文章分(fen)頁: 1 
版權所(suo)有:南京(jing)騰州閥(fa)門有限(xian)公司    産(chan)品技術(shu)支持👩🏿‍❤️‍💋‍👨🏽:精(jing)嘉閥門(men)集團有(you)限公司(si)          網站技(ji)術支持(chi):yukamito.cc 京ICP證000000号(hao)
·
·
 ·
 
·
·
·