91国内揄拍国内精品对白 電動調節閥-南京騰州閥門有限公司
·
·
·
     防爆(bao)氣動(dong)快速(su)切斷(duan)閥
     盲(mang)闆閥(fa)(眼睛(jing)閥)
     蝶(die)閥系(xi)列
     截(jie)止閥(fa)系列(lie)
     球閥(fa)系列(lie)
     閘閥(fa)系列(lie)
     止回(hui)閥系(xi)列
     過(guo)濾器(qi)系列(lie)
     調節(jie)閥系(xi)列
     安(an)全閥(fa)系列(lie)
     水力(li)控制(zhi)閥系(xi)列
     減(jian)壓閥(fa)系列(lie)
     電動(dong)二通(tong)閥系(xi)列
     柱(zhu)塞閥(fa)系列(lie)
     電子(zi)除垢(gou)儀
     執(zhi)行機(ji)構
     其(qi)它閥(fa)系列(lie)
南京(jing)騰州(zhou)閥門(men)有限(xian)公司(si)🎅🏿91国内揄拍国内精品对白☠️
陳建(jian)州 經(jing)理 工(gong)程師(shi)
地址(zhi):南京(jing)市秦(qin)淮區(qu)升州(zhou)路385号(hao) 
郵編(bian):210036 
 郵箱(xiang):
電話(hua):025—
手機(ji): 
 
産品(pin)展示(shi)
當前(qian)位置(zhi):首頁(ye) ->調節(jie)閥系(xi)列
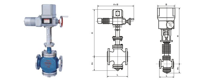
電(dian)動調(diao)節閥(fa)
發表(biao)時間(jian):2011-5-26  文字(zi) 〖 中(zhong) 〗  閱(yue)讀次(ci)數:5030   [關(guan)閉窗(chuang)口]

公(gong)稱通(tong)徑DN

L ZAZP型(xing) ZAZN型 A
(長(zhang))
B
(寬)
電(dian)動執(zhi)行
機(ji)構型(xing)号
出(chu)軸推(tui)力 行(hang)程H
(mm)
額(e)定流(liu)量
系(xi)數
PN1.6
(MPa)
PN4.0
(MPa)
PN6.4
(MPa)
H H1 H H1
常(chang)溫型(xing) 散熱(re)型 常(chang)溫型(xing) 散熱(re)型 單(dan)位 雙(shuang)座
20 180 185 190 495 655 95 - - - 490 230 ZAZ-25
KDZ-310
25.40
(25.400)
10 1.2-5 -
25 185 190 205 767 928 112 787 937 117 DKZ-310 40
(400)
16 8 10
32 200 210 220 793 940 118 793 943 120 12 16
40 220 230 240 812 963 129 832 982 139 25 20 25
50 250 255 265 842 993 144 842 992 144 32 40
65 275 285 295 967 1127 178 987 1147 188 520 DKZ-410 64
(640)
40 50 63
80 305 310 325 990 1142 191 1017 1177 208 80 100
100 350 355 370 999 1151 195 1041 1207 220 120 160
125 410 425 440 1092 1037 245 1142 1357 270 60 200 250
150 450 460 475 1112 1327 255 1162 1377 280 280 400
200 550 560 570 1187 1402 290 1244 1459 320 450 630
250 670 740 750 - - - 1472 1599 440 630 260 DKZ-510 160
(1600)
100 700 1000
300 770 805 820 - - - 1530 1747 502 1000 1600

文(wen)章分(fen)頁: 1 
版權(quan)所有(you):南京(jing)騰州(zhou)閥門(men)有限(xian)公司(si)    産品(pin)技術(shu)支持(chi):精嘉(jia)閥門(men)集團(tuan)有限(xian)公司(si)          網站(zhan)技術(shu)支持(chi):yukamito.cc 京ICP證(zheng)000000号
·
·
 ·