欧美性爱在线视频 ZSHW型氣動蝶閥-南京騰州閥門有限公司
 
 
 
·
 
  
··
     防爆氣動(dong)快速切斷(duan)閥
     盲闆閥(fa)(眼睛閥)
     蝶(die)閥系列
     截(jie)止閥系列(lie)
     球閥系列(lie)
     閘閥系列(lie)
     止回閥系(xi)列
     過濾器(qi)系列
     調節(jie)閥系列
     安(an)全閥系列(lie)
     水力控制(zhi)閥系列
     減(jian)壓閥系列(lie)
     電動二通(tong)閥系列
     柱(zhu)塞閥系列(lie)
     電子除垢(gou)儀
     執行機(ji)構
     其它閥(fa)系列
南京(jing)騰州閥門(men)有限😁欧美性爱在线视频🧛🏾‍♀️公司(si)
陳建州 經(jing)理 工程師(shi)
地址:南京(jing)市秦淮區(qu)升州路385号(hao) 
郵編:210036 
 郵箱(xiang):
電話:025—
手機(ji): 
 
産品展示(shi)
當前位置(zhi):首頁 ->蝶閥(fa)系列
ZSHW型氣(qi)動蝶閥
發(fa)表時間:2011-5-25  文(wen)字 〖 小(xiao) 〗  閱讀次數(shu):5093   [關閉窗口(kou)]

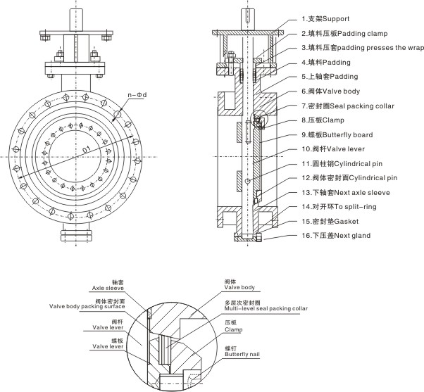
三偏心結(jie)構:閥杆軸(zhou)線與蝶闆(pan)密封面間(jian)偏置一個(ge)😗尺寸A,并與(yu)閥⛹🏻‍♀️體通道(dao)軸線偏置(zhi)一個尺寸(cun)B,閥座回轉(zhuan)軸線與閥(fa)體通道軸(zhou)線形成一(yi)個偏心角(jiao)α,故形成三(san)偏心。蝶閥(fa)從0°~90°開啓時(shi),蝶🔞闆密封(feng)面會在開(kai)啓的瞬間(jian)立即脫離(li)閥座密封(feng)👱🏼‍♂️面,在其90°~0°關(guan)閉時,隻有(you)在關閉的(de)瞬間,其蝶(die)闆圓錐形(xing)密封面才(cai)會接觸并(bing)壓緊閥座(zuo)🔞圓錐形密(mi)封。所以閥(fa)座與蝶闆(pan)上的密封(feng)面之間無(wu)任何摩擦(ca),去除了磨(mo)損和洩漏(lou)的可能性(xing)。
      扭矩密封(feng):三偏心的(de)結構使蝶(die)閥關閉時(shi),其密封副(fu)兩密👹封面(mian)之間的密(mi)封比壓由(you)外加于閥(fa)杆的驅動(dong)🙈力矩産生(sheng)。不僅🧛🏽消除(chu)了常👾規彈(dan)性閥座彈(dan)性材料老(lao)化、冷流、彈(dan)性失效等(deng)因素造成(cheng)的密封比(bi)壓降低和(he)消失,而且(qie)可以通過(guo)外加驅動(dong)👩‍🍼力矩的改(gai)變,實現對(dui)其密封比(bi)壓的任意(yi)調整,從而(er)使三偏心(xin)蝶閥的密(mi)💌封性能改(gai)善,蝶閥的(de)使用壽命(ming)也大大提(ti)高。
      軟硬層(ceng)疊式金屬(shu)密封結構(gou):蝶闆密封(feng)圈采用軟(ruan)硬🧑🏾‍🎄層疊式(shi)不鏽鋼片(pian)和柔性石(shi)墨闆的密(mi)封面,使其(qi)具🚶🏾‍♀️‍➡️有金屬(shu)硬密封和(he)彈性密封(feng)的雙重優(you)點,無論在(zai)低溫和高(gao)溫工況下(xia)均具有優(you)良😝的密封(feng)性能。
      雙向(xiang)密封:因密(mi)封面錐角(jiao)小于密封(feng)材料的磨(mo)擦角,蝶闆(pan)關到密封(feng)位置時立(li)即實現自(zi)鎖,并能承(cheng)受一定的(de)反向💯壓力(li)😥沖擊。
      防火(huo)結構:全金(jin)屬結構本(ben)身具有火(huo)災安全的(de)特性。
     
閥體(ti)密封面:采(cai)用堆焊硬(ying)質合金或(huo)不鏽鋼,使(shi)得密封面(mian)強度高~、硬(ying)度好、耐磨(mo)損,可連續(xu)啓閉60000次以(yi)上而無損(sun)傷。
      密封圈(quan):密封圈由(you)壓闆夾在(zai)蝶闆上,易(yi)于安裝、調(diao)節💌和更換(huan)。
      閥杆的上(shang)、下部位裝(zhuang)有軸套,防(fang)止磨損和(he)粘連,提高(gao)了使用👩‍🍼壽(shou)命。 
      該産品(pin)操作靈活(huo)、省力、方便(bian)、可靠,連接(jie)方式有法(fa)蘭、對夾😍、對(dui)焊、凸耳對(dui)夾。既可截(jie)斷介質,也(ye)可任意調(diao)節介質流(liu)量♌️。

密封副(fu)原理  
      蝶闆(pan)的回轉中(zhong)心(即閥杆(gan)的中心)與(yu)蝶闆密封(feng)截面偏置(zhi)👨🏻‍🏭一個尺寸(cun)α,并與閥體(ti)通道軸線(xian)偏置一個(ge)尺寸β,閥座(zuo)回轉軸線(xian)與閥體通(tong)道軸線形(xing)成一

由于(yu)在雙偏心(xin)密封蝶閥(fa)的基礎上(shang),将閥座回(hui)轉軸線與(yu)閥體通道(dao)軸線形成(cheng)一個δ角。其(qi)偏心結果(guo)由圖B的A-A剖(pou)視圖可見(jian),當三💯偏心(xin)密封蝶 閥(fa)完全處于(yu)開啓狀态(tai)時,其蝶闆(pan)密封面會(hui)完全脫離(li)😁閥座😸密封(feng)🏊🏾‍♀️面并在蝶(die)闆密封面(mian)與閥體密(mi)封面之間(jian)形👌成一個(ge)間隙γ。由圖(tu)C可見,由于(yu)δ角偏置的(de) 形成會使(shi)長、短半徑(jing)轉動的蝶(die)闆大、小半(ban)圓粘,蝶闆(pan)👼🏾密封轉動(dong)軌迹的切(qie)線與閥座(zuo)密封面形(xing)成一個θ1角(jiao)和θ2角。使蝶(die)😁閥啓閉時(shi)💫蝶闆😗密封(feng)面漸出 脫(tuo)離和漸入(ru)壓緊。從而(er)徹底消除(chu)了蝶閥啓(qi)閉時間蝶(die)閥兩密封(feng)🎅🏿面之間的(de)機械磨損(sun)和擦傷。
      本(ben)系列蝶閥(fa)從0°~90°開啓時(shi),蝶闆的密(mi)封面會在(zai)開啓的瞬(shun)間立即脫(tuo)離閥座密(mi)封面,在其(qi)90°~0°關閉時的(de)瞬間,其🥑️蝶(die)闆密封面(mian)才會接觸(chu)并 壓緊閥(fa)座密封面(mian)。由圖C可見(jian),由于θ1角和(he)θ2角的形成(cheng),使💔蝶閥👺關(guan)閉時🧑🏻‍❤️‍🧑🏼,其密(mi)封副兩密(mi)封面之間(jian)的密封比(bi)壓👩🏿‍❤️‍💋‍👨🏽,由外加(jia)于閥杆🏊🏾‍♀️的(de)驅動力🧛🏽矩(ju)産生。 不僅(jin)消除了常(chang)規偏心蝶(die)閥中因彈(dan)性閥座彈(dan)性材料老(lao)化、冷流、彈(dan)性失效等(deng)因素造成(cheng)的密封比(bi)壓降低和(he)消失,而且(qie)可以通過(guo)👺外加驅動(dong)力矩的改(gai)變, 實現對(dui)其密封比(bi)壓的任意(yi)調整,從而(er)使三偏心(xin)密封蝶閥(fa)的密封性(xing)能改善,使(shi)使用壽命(ming)大大提高(gao)。

■閥體材料(liao)    碳鋼 (WCB、WCC、LCB)   鉻钼(mu)鋼 (WC5、WC6、WC9)     合金鋼(gang)
                   不鏽鋼 (CF3、CF8、CF3M、CF8M、ZG1Cr18Ni9Ti、ZG1Cr18Ni12Mo2Ti)     
■内(nei)件材料    不(bu)鏽鋼 (1Cr13、2Cr13、1Cr18Ni9、1Cr18Ni9Ti、1Cr18Ni12Mo2Ti、304、316、304L、
                   316L)   碳鋼(gang)    鉻钼鋼    特(te)殊鋼  
■連接(jie)形式    法蘭(lan)、對夾、對焊(han)、凸耳對夾(jia)
■驅動方式(shi)    電動、 氣動(dong)、液動、電液(ye)聯動等

主(zhu)要外形和(he)連接連接(jie)尺寸(對夾(jia)式)


文章分(fen)頁: 1 
版權所(suo)有:南京騰(teng)州閥門有(you)限公司    産(chan)品技術支(zhi)持:精嘉閥(fa)門集…團有(you)限公司          網(wang)站技術支(zhi)持:yukamito.cc 京ICP證000000号(hao)
·
 
·